The gallery on the hydraulic engineering research laboratory is intended to provide insights into the measuring equipment available and the investigations carried out on it.

Overview of the hydraulic engineering research laboratory

Legend to the floor plan
Legend to the floor plan

a) 60 m – Gutter

Current-induced pronounced ripple bottom

Inlet: Transition from rectangular to circular profile

Outlet diverter with branch to return chute and weighing tank

Preformed dunes for initial sediment transport tests

b) 12 m – Gutter (practical gutter)

Setting a changeover jump

Alternating jump on flat sole

Gutter in full length with view in flow direction

In this video you can see the alternating jump in flow direction:

The water height increases almost abruptly during the transition from shooting to flowing flow conditions. A wave-like impoundment appears. Wall effects can be observed along the channel wall.

c) 40 m – Gutter

Research with a robotic fish

Encoder positioning system in use

Horizontal screen in use

Horizontalrechen in trockener Rinne

Schematic representation of the 40 m - gutter

Modular horizontal rake system for mobile use in test troughs and model setups

d) 15 m – Gutter

Recessed antechamber with removal or outlet openings

Recessed antechamber in use

Recessed antechamber (side view)

e) 8 m – Gutter

Modified basin with installations of a slotted pass

Modified gutter outlet with needle weir

Symmetrically arranged inlet lines

Frame design to adjust the slope of the gutter

f) Deep Gutter (30 m – gutter)

CAD gutter display with side acrylic windows

Built-in dike cross section with different soil layers

Overflowed dike cross-section, formation of an alternating jump

Investigations on the installed energy converter

Gauge positioning above and along the deep gutter - mounted TLS device

Weir overfall - overflowed and partially overturned spring weir element

g) Open space for physical models

Construction of physical models on open space

Studies of a spillway: return of the spill water to the watercourse (view in flow direction)

Studies of a spillway: Two concrete gutter outlets with a jumping ramp

Studies of a spillway: scouring due to the ski jump

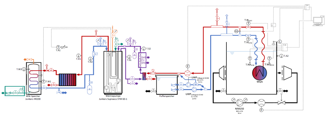
h) Thermotechnical test stand

Thermal test stand in the outdoor area of the research laboratory

Heat exchanger installed in the trainer

WET research project poster

Floor plan of the thermotechnical test stand in the outdoor area of the research laboratory

System diagram for the thermotechnical test stand

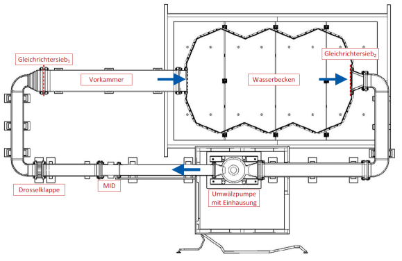
Velocity distribution in the experimental basin at the inlet (left) and outlet (right)